
Доработка стабилизатора 2 сетки
Для повышения надежности работы стабилизатора G 2, стоит установить параллельно существующему конденсатору (выделен желтой стрелкой) дополнительный конденсатор с емкостью 47-68 нФ. В настоящее время используются конденсаторы на 3,3 или 10 нФ, и на некоторых усилителях была замечена паразитная генерация на частоте 14 кГц на выходном каскаде УД608 на третьем выводе. После добавления указанного конденсатора данная генерация исчезает. На схеме представлен левый верхний участок основной платы.
Также рекомендуется установить ещё один резистор на 36 кОм 2 Вт параллельно двум уже имеющимся резисторам такой же величины (указан белой стрелкой). Такой подход позволит расширить диапазон стабилизации.
Изменение коммутации напряжения первой сетки
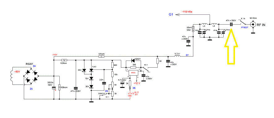
Известно, что при переключении RX/TX напряжение на первой сетке конденсатора 47нF на 250В (отмечено стрелкой) изменяется с 110В до 45В. Исследования показали, что через этот конденсатор проходит короткий импульс высотой 58В, при этом амплитуда импульса соответствует напряжению, на которое происходит изменение. Этот импульс достигает ВЧ-разъема усилителя мощности, однако в этот момент трансивер уже находится в режиме передачи, и импульс попадает на низкоомный выход трансивера. При замере с помощью тестера мы наблюдаем всего 0,3В, так как длительность импульса очень короткая; на осциллограмме видно, что он длится примерно 1,8 мс. Таким образом, можно сделать вывод, что для переключения не обязательно воздействовать на обе сетки, достаточно управлять одной из них.
Необходимо отключить запирание по G1, и оставить запирание лампы во время приема
только по сетке G2, этого вполне достаточно, ток анода не будет.
Для этого необходимо поставить перемычку между резистором 30ом и выводом 2 на
оптроне 4N33, (на плате показано желтой перемычкой), т.е. замкнуть контакты реле К 3
В таком варианте на сетке G1 всегда будет рабочее напряжение,
которым также можно будет выставлять токи покоя в режимах CW и SSB.
Доработка плавного пуска накала для ламп с накалом 12,6в
Для усилителей с лампами накала на 12,6 в, рекомендуется установить электролитический конденсатор на 330 мкФ для надежной работы реле К1, если ранее применялся меньший. Также необходимо заменить резистор на 200 Ом с мощностью 2 Вт. Реле следует подключать к 24 В, так как происходит удвоение напряжения. С указанными параметрами задержка для подачи полного накального напряжения составит около 3 секунд, что является достаточным временем.
На обмотке реле К1 должно быть напряжение 20 В (плюс-минус 2 В). Удобнее всего измерять это напряжение на двухватном резисторе, к одному из выводов которого подается сигнал к обмотке реле.
Доработка плавного пуска накала, для ламп с напряжением накала 27в
Эта плата была разработана для ламп с напряжением накала 12,6 В и использует удвоение накального напряжения, что увеличивает задержку в подаче полного накала. Для ламп с напряжением 27 В первоначально планировалось применять ту же плату, но без удвоения. В этом случае устанавливался только один диод, а электролитический конденсатор (330 мкФ для 12,6 В) заменялся перемычкой. В результате на обмотке реле К1 может проявляться недостаток напряжения для надежной работы реле, особенно при пониженном сетевом напряжении. Это приводит к постоянному прохождению накального напряжения через 5-ваттный резистор, что вызывает его перегрев и снижение накала.
Для повышения надежности работы плавного запуска накала предлагаю для 27 В усилителей добавить электролитический конденсатор 22-33 мкФ на место, которое указано желтой стрелкой (плюсом вниз), и установить второй диод 1N4007. Это обеспечит удвоение напряжения, которое можно регулировать с помощью конденсатора, начав с 22,0 мкФ. Если напряжение будет недостаточным, можно заменить на 33,0 или 47,0 мкФ. Напряжение следует контролировать относительно земли на клемме №2, где должно быть 20-24 В. Также это напряжение используется для удаленного включения анодного БП, и его проще измерить на двухваттном сопротивлении, вывод которого соединен с обмоткой реле.
| ![]() |
Рекомендации от Николая, RZ9OQ.


