У каждого своя организация рабочего места.
Зачастую это столешница 2-3 метра, иногда углом (если место позволяет) и такой же длины полка сверху.
Ну а ящики или шкаф для деталей — дело удобства
Последние сообщения
Основное, это чтобы свободное пространство для ног было, на ширине около метра.
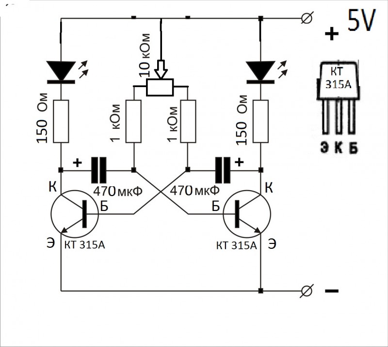
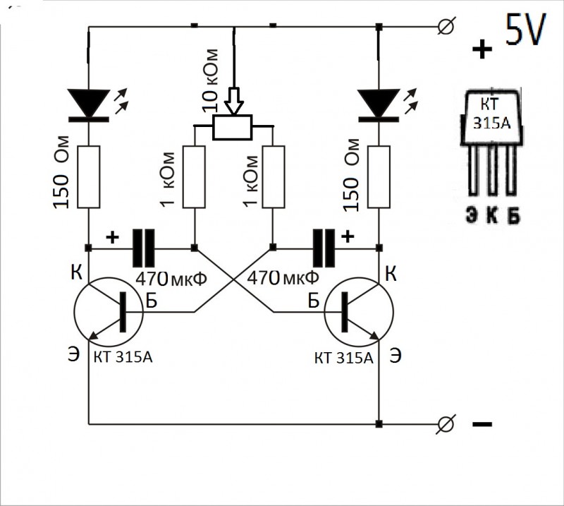
Схема
Самая простая.
Шнайдер электрик. И не сильно дорого и качество нормальное.
Недавно пытался посчитать свои бумажные QSL-карточки.
Получилось около 5000 шт.
И столько же электронных.
Есть среди них какие-нибудь особо выделяющиеся/дорогие сердцу?
Недавно пытался посчитать свои бумажные QSL-карточки.
Получилось около 5000 шт.
И столько же электронных.
Привет Вадик, пришли фотографию своей коллекции.
Изучаю Python — что-то он стал популярен в настоящее время, надеюсь пригодится в дальнейшем
Недавно пытался посчитать свои бумажные QSL-карточки.
Получилось около 5000 шт.
И столько же электронных.
Моя первая дальняя связь была проведена с коллективки RV6AWH в 2000 году c островом Клипертон 1300 км западнее Мексики
Это довольно редкая территория в плане выхода в эфир.
Диапазон 15 метров. SSB
Трансивер Радио-77 20 Ватт
Антенна Inverted V 40-80
Сейчас у меня в логе около 200 таких стран и территорий
У меня в радиорубке сейчас кабель каналы и это не очень удобно. Делал их не я, и это было очень давно. Если смотреть на мой опыт пользования ими, то главное достоинство кабель каналов, это простая установка и низкая стоимость. Но для меня они непрактичны, хочу повесить что-то на стену а там кабель канал ведущий к потолочному светильнику(это как раз у меня в радиорубке) Но! Кабель каналы есть разные, где-то они смотрятся даже неплохо и особо не мешают. Например плинтусные кабель каналы удобные( у меня такой на кухне) Еще есть парапетные кабель-каналы, вот они при правильной установке будут не только удобными, но еще будут хорошо смотреться. Например в офисах это прикольная тема👍 Вот картинка в пример⬇️ Поэтому проводку у себя дома я бы делал внутри стен, так для меня более привычно и удобно...
Вот, что попалось под руку, поддерживаю тему)





Очень люблю советские фильмы, документальные и комедийные! Из современного я смотрю различные эксперименты, путешествия, исторические разборы! Музыка нравится до безумия разнообразная! Но больше предпочитаю рок, металл и электронную музыку😃
По факту можно так провернуть с любым числом)
Отлично, когда человек интересуется радиосвязью. Трансивер можно взять начинающим радиолюбителям не дорогой, но всё таки следует подойти с умом к выбору. Для гражданской связи множество вариантов из старых трансиверов и современных китайских. Стоит всё таки уточнить какой диапазон интересен конкретно, гражданский диапазон (CB) 11 метров (27 МГц), или же всё таки радиолюбительский 10 метров (28 МГц). Это всё таки немного разные бенды. :)
