Основное, это чтобы свободное пространство для ног было, на ширине около метра.
R3WBW
0
Reputation
10
Rating
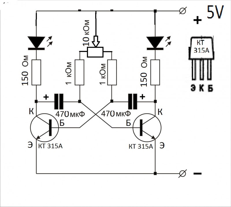
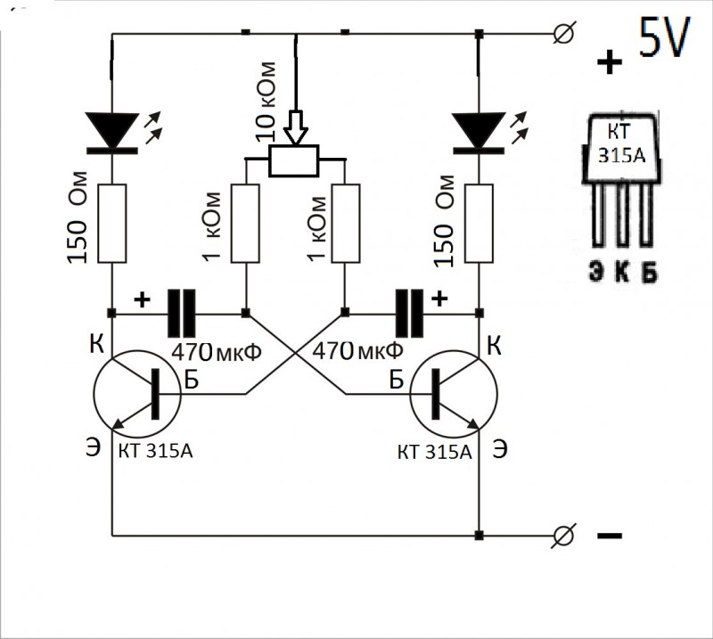
Схема
Прикрепленный файл
Самая простая.